船用海水泵采用便拆式離心泵過流部件青銅材質軸雙相不銹鋼
時間:2023/11/28 來源:浙江揚子江泵業有限公司
ISGB型便拆式管道泵是在ISG型離心泵的基礎上開發成功的一種構造新穎,技能先進的商品。該管道泵特別是在全體構造上進行斗膽打破規劃。選用獨立軸承體、泵軸支持,處理了本來立式泵靠電機軸承支持的不足之處;選用優異水力模型的葉輪,消除了原立式泵軸向力大的不足之處;電機選用Y系列規范通用電機,處理原立式泵加長軸電機配套替換難的疑問;一起100%的便拆構造,處理了替換大功率水泵的軸承、機械密封、葉輪、泵軸的難題。
該管道泵與國內同類商品比較,具有作業更平穩、運用壽命長、配套更便利、保護養護更輕松等等,無可代替的長處。在立式泵系列商品中屬國內前列,各項技能居國內搶先,是代替ISG型立式泵、IS型離心泵、S型雙吸泵等慣例各種離心泵的最理想商品。
離心泵銅泵殼葉輪 泵蓋
■ ISGB型便拆式管道泵作業條件:
1、ISGB型便拆式管道泵體系最高作業壓力為1.6MPa,即泵吸進口壓力+泵揚程≤1.6MPa(泵揚程作業壓力大于1.6MPa時應在訂購另行提出,以便在制作時泵的過流部件和聯接部件選用鑄鋼)。
2、ISGB型便拆式管道泵運送介質為清水或物理化學性質相似清水的其它液體。(運送介質帶有細微顆粒的應在訂購時另行闡明,以便設備耐磨式機械密封)。
3、環境溫度≤40℃,海拔高度≤1000m,相對濕度≤95%。
■ ISGB型便拆式立式管道泵類型含義:
■ ISGB型便拆式立式管道泵特點:
ISGB型便拆式立式管道泵與國內同類商品比較,具有作業更平穩,運用壽命長,配套更便利,保護養護更輕松等無可代替的長處。在立式泵系列商品中屬國內首創,各項技能居國內搶先,是代替ISG型立式泵、IS型離心泵、S型雙吸泵等慣例離心泵的最理想商品。
1、立式構造,設備調試便利,共同規劃的電機和泵體選用聯接體聯接,同心度高、加工精度高,占地面積大大削減,減縮了修建投資。底腳安定、構造緊湊,精巧的鍛造和外觀處理賦予立式離心泵新的美感,使商品煥發藝術的魅力,能夠和國外聞名廠家立式泵媲美.
2、配用國內聞名廠家出產的低速Y系列規范通用電機,運轉平穩、噪音極低.
3、軸承選用世界聞名品牌精細軸承,精度高、牢靠性好,壽命長.
4、葉輪選用9 0年代最優異可自平衡軸向力的水力模型,使得泵軸承和機械密封運用壽命大大延伸.
5、電機軸承座內的軸承都配有加油孔和放油孔,對軸承的保護養護非常便利.
6、可拆開爪型彈性聯軸器,使泵起動無振蕩、無噪音,旋轉部件設有牢靠的安全防護罩,安全性極好。
7、機械密封選用不銹鋼、碳化鎢、氟橡膠等資料制成,耐高溫、高壓、運轉壽命長,無滲漏,對軸無磨損,確保作業環境整齊.
8、泵蓋構造規劃共同,只需卸下爪型彈性聯軸器、泵蓋螺母,即可非常簡便取出軸承座、泵蓋、泵軸、葉輪等組合件,進行替換機械密封和葉輪,而不用拆開電機、泵體和管道,修理便利快捷。
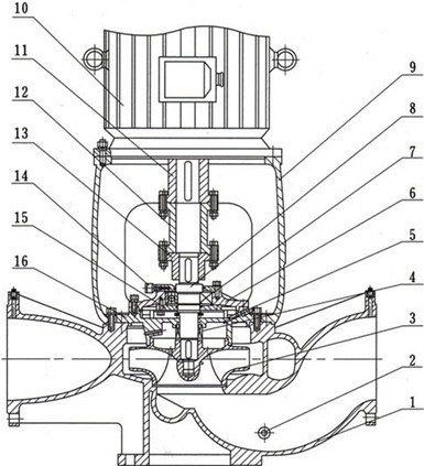
■ ISGB型便拆式立式管道泵構造圖:
|
1 |
泵體 |
2 |
放水塞 |
3 |
葉輪 |
4 |
機械密封 |
5 |
放氣閥 |
6 |
軸承體 |
7 |
軸承 |
8 |
泵軸 |
|
9 |
支架 |
10 |
機電 |
11 |
電機軸聯器 |
12 |
中心軸聯器 |
13 |
泵軸聯器 |
14 |
油杯 |
15 |
軸承壓蓋 |
16 |
泵蓋 |
■ ISGB型便拆式立式管道泵構造闡明:
泵體:管道銜接式的螺旋形泵殼,選用現代最優異水力模型規劃制作,法蘭契合GB4216.5,并帶有Rp1/4或Rp3/8測壓口。
葉輪:閉式鑄鐵葉輪,優異水力模型和特別的構造確保泵的效率,且牢靠的消除泵的軸向力。
機械密封:勇于水溫150℃以下免養護,并不承受轉向約束。特別的規劃確保動環的補償性和密封性。
泵軸:優化規劃的泵軸和聯軸器融為一體,減縮傳動軸的尺度,使泵更安全的運轉,而且使整臺泵的體積減小。
泵軸體:選用進口NTN或NSK精細軸承,噪音低、壽命長。
電機:Y或Y2系列鼠籠式溝通電機,型式:B5型。運用規范通用電機,保護、養護便利、快捷、大功率配有軸承光滑養護注油孔設備。
■ ISGB型便拆式立式管道泵適用范圍:
1、高層修建增壓送水;
2、工廠體系運送;
3、水處理體系加壓;
4、中央空調冷熱水循環;
5、鍋爐體系運送;
6、游泳池輸水;
7、工藝流程中增壓循環;
■ ISGB型便拆式立式管道泵商品用處:
1、ISGB型便拆式立式管道泵供運送清水及物理化學性質相似于清水的其他液體之用,適用于工業和城市給排水、高層修建增壓送水、園林噴灌、消防增壓、遠距離運送、暖通制冷循環、澡堂等冷暖水循環增壓及設備配套,運用溫度T<80℃。
2、IRGB(GRGB)型立式熱水循環泵廣泛適用于:動力、冶金、化工、紡織、造紙,以及賓館飯店等鍋爐高溫熱水增壓循環運送及城市選用暖體系循環用泵,IRG型運用溫度T<120℃,珀GRG型運用溫度T<240℃。
3、IHGB型立式管道化工泵,供運送不含固體顆粒,具有腐蝕性,粘度相似于水的液體,適用于石油、化工、冶金、電力、造紙、食品制藥和合成纖維等部分,運用溫度為20℃~+120℃。
4、YGB型立式管道油泵,供運送汽油、煤油、柴油等石油商品,被運送介質溫度為-20℃~+120℃。
■ ISGB型便拆式立式管道泵運用闡明:
起動前預備
1、用手撥轉泵軸或泵聯軸器,葉輪應無卡磨現象,轉動靈敏。
2、翻開進口閥門,翻開排氣閥使液體充滿全部泵腔,然后封閉排氣閥。^
3、用手盤動泵軸以使光滑液進入機械密封端面。
4、點動電機,確定轉向是不是準確。
起動與運轉
1、全開進口閥門,封閉吐出管路閥門。
2、接通電源,當泵到達正常轉速后,再逐步翻開吐出管路上閥門,并調理到所需工況。
3、注意觀察外表讀數,查看軸封走漏狀況,正常時機械密封走漏量≤3滴/分,檢査電機、軸承處溫升≤70℃, 假如發現異常狀況,應及時處理。
泊車
1、逐步封閉吐出管路閥門,堵截電源。
2、封閉進口閥門。
3、如環境溫度低于0℃,應將泵內液體放盡,避免凍裂。
4、如長時間停用.應將泵拆開清洗.包裝保管。
■ ISGB型便拆式立式管道泵修理與養護:
運轉中的保護與養護
1、迸水管路必須高度密封。
2、制止泵在汽蝕狀態下長時間運轉。
3、制止離心泵在大流量運轉時,電機超電流長時間運轉。
4、守時檢査泵運轉中電機電流值,不得超過電機額定電流。
5、泵在運轉過程中應有專人看守,避免發生意外。
6、泵每運轉500小時應對軸承迸行加油。電機功率大于11KW配有加油設備.可用高壓油槍直接寫入,以確保軸承光滑優秀。
7、泵迸行長時間運轉后,因為機械磨損,使機組噪聲及振蕩增大吋,應泊車檢査,必要吋可更換易損零件及軸承,機組大修期通常為一年。
機械密封保護與養護
1-機械密封光滑應清洗無固體顆粒。2、嚴禁機械密封在干磨惰況下作業。
3、起動前應盤動泵(電機)幾圈,避免俄然起動造成密封環開裂損壞。
- 下一篇:離心泵機械密封損壞的原因及處理方法
- 上一篇:自吸排污泵安裝維護保養方法總結











